2 EXAMPLE PADA SUBCHAPTER 4.10
Example 4.25
Berdasarkan gambar 4.61, tentukan apakah jaringan beroperasi dengan benar, jika tidak, apa kemungkinan penyebabnya?
Tegangan 20V di kolektor mengungkapkan bahwa IC = 0mA karena adanya sirkuit terbuka atau transistor tidak beroperasi. Level VRB = 19.85V juga mengungkapkan bahwa transistor tidak aktif karena perbedaan VCC – VRB = 0.15V, kurang dari yang diperlukan untuk mengaktifkan transistor dan memberikan tegangan yang sama untuk VE. Jika diasumsikan bahwa terjadi korsleting dari basis ke emitor, arus yang didapatkan melalui RB:
Dengan begitu, pada jaringan transistor berada sdalam keadaan rusak dengan terjadinya korsleting antara basis dan emitor.
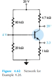
Example 4.26
Berdasarkan gambar 4.62, tentukan apakah transistor aktif dan jaringan beroperasi dengan benar?
Solusi
Berdasarkan nilai resistor R1 dan R2 serta besarnya VCC, tegangan VB = 4V tepat digunakan. 3.3V di emitor menghasilkan penurunan 0.7V melintasi persimpangan basis ke emitor transistor sehingga transistor aktif. Namun, 20V di kolektor mengungkapkan bahwa IC = 0mA, walaupun koneksi ke suplai harus “solid” atau 20V tidak akan muncul di kolektor perangkar. Ada dua kemungkinan, pertama, terdapat koneksi yang buruk antara RC dan terminal kolektor transistor, kedua, persimpangan basis ke kolektor transistor terbuka. Untuk mengatasinya periksa kontinuitas persimpangan kolektor menggunakan ohmmeter. Jika tidak terdapat masalah, perikasa transistor menggunakan salah satu metode pada bab3.



Tidak ada komentar:
Posting Komentar